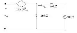
A chave do circuito mostrado na Figura P7.61 esteve na posição OFF por um longo tempo. Em t=0, ela passa instantaneamente para a posição ON. Determine .

Passo 1
Falaaa, pessoal! Como vocês estão?
Bora pra mais uma questãozinha pra exercitar o que a gente sabe sobre resposta de circuitos RL e RC de primeira ordem!
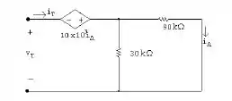
Primeiramente, para t>0, com , tem-se o seguinte iustrado:

Colocando em números essa relação, temos que:
Ou seja:

Colocando em números:
Passo 2
Por fim, para t>0:

Mas sabemos que:
Logo: