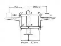
Determine a massa m que equilibra o bloco de 5kg.

Passo 1
E ai seres de luz, tudo bem?
Bora resolver mais uma?
Encostaaa!!
Vamos inicias fazendoo D.C.L do sistema

Passo 2
Vamos determinar a mudança na distância vertical do ponto K
Vamos determinar a distância vertical do ponto L
Vamos determinar a distância vertical do ponto C
Passo 3
Determinaremos a mudança na distância vertical do ponto L em termos de A
Calcularemos o peso do bloco no ponto K
Calcularemos o peso do bloco no ponto L
Passo 4
Para finalizar iremos calcular a massa do bloco usando o método de trabalho virtual
Resposta
Portanto, a massa m do bloco é de .