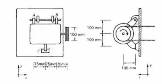
Um motor elétrico é montado em um suporte de três pontos como mostrado. O motor pesa 80N, o que pode ser assumido para atuar no centro do motor. Antes de começar, as tensões das correias são de 125N cada. Durante o funcionamento, o motor está entregando um torque de 2,7 N.m. Quais são as reações nos apoios A, B e C quando o motor está funcionando?

Passo 1
Idealização: os suportes A, B, C não transmitem torques ou momentos, têm menos atrito.
Preliminar: Assuma que a tensão média é a mesma que antes.

Equilíbrio da roldana
Para encontrar

Passo 2
Equilíbrio satisfeito
Solução