O resistor variável no circuito da Figura P4.89 é ajustado para a máxima transferência de potência para .
a) Determine o valor de .
b) Determine a potência máxima fornecida a Ro.
c) Qual é a potência que a fonte de fornece ao circuito, quando Ro é ajustado para o valor calculado em ?

Passo 1
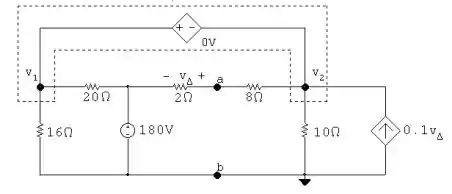
Okaaay turminha, bora lá! Primeiro encontraremos o equivalente de Thévenin em relação a Ro.

Buscando os nós:
Logo,
Passo 2
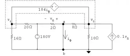
A partir disso, podemos ter a corrente de curto circuito da seguinte forma:

Jogando isso na equação, temos:
Passo 3
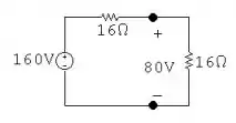
Agora passando pro item b), é bem tranquilo, temos:

Logo,
Passo 4
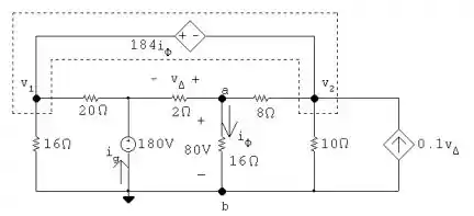
Por fim, no item c), temos:

Pegando a equação dos nós:
Sabendo das tensões,
Logo,
Portanto,