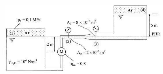
Na instalação da figura, a vazão de água na máquina é 16 L/s e tem-se . O manômetro na seção (2) indica 200 kPa e o da seção (3) indica 400 kPa. Determinar:
a) o sentido do escoamento;
b) a perda de carga no trecho (2)-(3);
c) o tipo de máquina e a potência que troca com o fluido em kW;
d) a pressão do ar em (4) em Mpa.

Passo 1
Vamos começar o exercício encontrando as velocidades nos pontos 2 e 3 para depois encontrarmos as cargas totais nesses pontos. Vamos encontrar as velocidades a partir da fórmula da vazão, que é dada por:
Então, substituindo os valores da vazão e das áreas nos pontos 2 e 3 (lembrando de usar as unidades do sistema internacional) temos:
Agora, aplicando a equação para encontrar as cargas totais para os pontos 2 e 3, temos:
Como sabemos que o escoamento vai no sentido do ponto de maior carga para o de menor carga, então, como nesse caso , o escoamento vai de (4) para (1).
Passo 2
Agora vamos resolver a letra b). Para calcular a perda de carga entre os pontos 2 e 3, basta que calculemos as diferenças entre as cargas totais encontradas no passo 1:
Passo 3
Agora, para a letra c), precisamos descobrir a variação de carga aplicada ao sistema pela máquina, se ela for negativa, é uma turbina, se for positiva, é uma bomba. Para isso, vamos aplicar o equilíbrio de cargas entre os pontos 1 e 2:
Abrindo a expressão, temos:
Isolando e substituindo os valores conhecidos, temos:
Como a carga é negativa, então temos uma turbina. Agora, para calcular a potência que troca com o fluído, podemos usar a seguinte equação:
Passo 4
Agora, para resolver a letra d), vamos aplicar o equilíbrio de cargas entre os pontos 3 e 4:
Isolando e susbtituindo os valores conhecidos: