A fonte de tensão no circuito da Figura P17.33 está gerando o sinal

  v g   =   25   s g n ( t )   -   25   +   150 e - 100 t   u ( t )   V .  

a) Calcule v o ( 0 - )   e   v o ( 0 + ) .

b) Calcule i o ( 0 - )   e   i o ( 0 + ) .

c) Calcule v o .

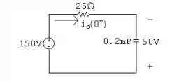
Passo 1

Falaaa, pessoal! Como vocês estão?

Bora pra mais uma questãozinha pra exercitar o que a gente sabe sobre transformada de Fourier!

  1. Desenvolvendo o sistema acima, podemos o expressar como:
  2. Portanto, temos que, no momento t=0:

    v 0 0 - = 50 v

    v 0 0 + - 50 v

  3. Como temos:
  4. i 0 0 - = 0 A

    No momento t=0+, temos que o circuito vai ser:

    Ou seja:

    i 0 0 + = 200 25 = 8   A

    Passo 2

  5. Na fase dominante, temos que:

Podemos ver então que:

V 0 = 200 V g s + 200

Com isso, temos:

V 0 V g = H s = 200 s + 200

Portanto:

H j ω = 200 j ω + 200

Logo:

V g ω = 50 j ω - 50 π δ ω + 150 j ω + 100

V 0 ω = 10000 j ω ( j ω + 200 ) - 10000 π δ ω j ω + 200 + 30000 ( j ω + 200 ) ( j ω + 100 )

Colocando em termos de K, temos:

K 0 = 50 ; K 1 = - 50 ; K 2 = - 300 ; K 3 = 300 ;

Portanto, temos:

V 0 ω = 50 j ω - 350 j ω + 200 + 300 j ω + 100 = 10000 π δ ω j ω + 200

v 0 t = 25 s g n t + 300 e - 100 t - 350 e - 100 t u t - 25 V

Resposta

  1. Item a:
  2. v 0 0 - = 50 v

    v 0 0 + - 50 v

  3. Item b:
  4. i 0 0 - = 0 A

    i 0 0 + = 200 25 = 8   A

  5. Item c:

v 0 t = 25 s g n t + 300 e - 100 t - 350 e - 100 t u t - 25 V