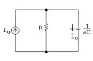
O sinal da corrente de entrada no circuito da Figura P17.39 é
Qual percentagem da energia total do sinal de saída encontra-se na faixa de frequências 0 a 100 rad/s?

Passo 1
Falaaa, pessoal! Como vocês estão?
Bora pra mais uma questãozinha pra exercitar o que a gente sabe sobre transformada de Fourier!
Desenvolvendo o sistema acima, podemos expressar como:

Podemos ver então que:
Com isso, temos:
Portanto:
Passo 2
Logo:
Colocando em termos de K, temos:
Portanto, temos:
Por fim: