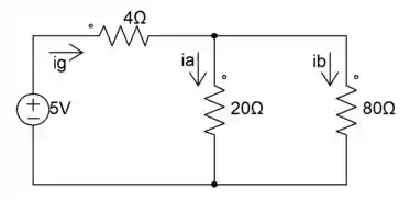
Dado o circuito mostrado na Figura P2.18, determine
a) o valor de ,
b) o valor de ,
c) o valor de ,
d) a potência dissipada em cada resistor,
e) a potência fornecida pela fonte de 50 V.
Passo 1
Iae, meus queridos! Td certinho??

Partiu para mais uma questão bem bacana de circuitos.
Primeiro vamos desenhar o circuito.

Na letra a) temos que encontrar o valor de , pra isso, vamos calcular a corrente e aplicar o método de divisão de corrente
Aplicando o método de divisão de corrente, temos.
Passo 2
Na letra b), basta entendermos a análise de nó de um circuito, que diz que a soma das correntes que entram em um nó, é igual a soma das correntes que saem do mesmo nó, dessa forma, podemos calcular como:
Letra c) Aproveitando este dado, podemos calcular pela lei de ohm no resistor de 80Ω.
Passo 3
Na letra d), podemos calcular facilmente a potência dissipada, já que temos as correntes que passam por cada um, dessa forma...
Resistor de 4Ω:
Resistor de 20Ω:
Resistor de 80Ω:
Passo 4
Por fim, na letra e) para calcularmos a potência fornecida pela fonte, podemos somar as potencias absorvidas pelos resistores ou aplicar a formula de potência.
Foi tranquilo? Bora continuar! 😎😉
Resposta
(a)
(b)
(c)
(d)
(e)