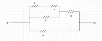
A Fig. 27-39 mostra cinco resistores de . Determine a resistência equivalente (a) entre os pontos e ; (b) entre os pontos e . (Sugestão: para cada par de pontos, imagine que existe uma fonte ligada entre os dois pontos.)

Passo 1
E aí, pessoal! 😊

Nesse problema temos um circuito de vários resistores e nosso objetivo é obter a resistência equivalente entre os pontos e e entre e .
Tem ideia de como fazer isso? 😉
Para conseguir resolver esse circuito, devemos perceber que tanto os resistores que estão entre os dois nós estão ligados em série, assim podemos simplificar o circuito.
Veja só! 😁
Passo 2
Começando pela resistência entre os pontos e , temos

Portanto, agora só temos que calcular essas três resistências em paralelo:
Se , então
Legal, né? 😐
Passo 3
(b) Nesse caso, podemos ignorar o fio que vai para o ponto . Desenhando para ficar mais simples o circuito é análogo a esse é:

Então, vamos resolver o caminho de cima primeiro, temos duas resistências em série ligados em paralelo a outra resistência:
Agora, temos o seguinte circuito:

Portanto, podemos calcular a resistência da parte de cima:
Finalmente, calculando a resistência equivalente:
Substituindo o valor de ...
E aí! entendeu tudo? Responde Aí! ��

Resposta
(a)
(b)